|
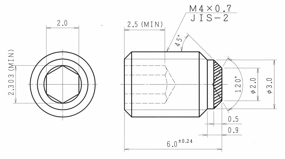
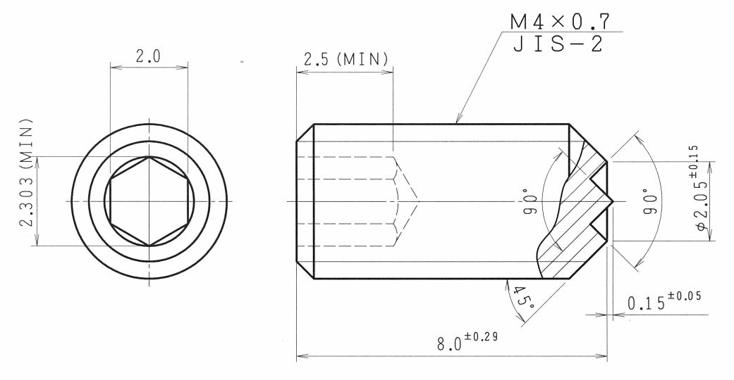
M4 Innensechskant Gewindestifte Nenndurchmesser x Steigung : M4 x 0,7 Material (Harte) : Ni-Cr-Mo Stahl (HRC50~53) Oberflächenbehandlung : Schwarzoxidfilm Es gibt keine M4 Schlitz Madenschraube. |
|||||||||
| M1,6 Größentabelle, klicken Sie hier | M2,6 Größentabelle, klicken Sie hier | ||||||||
| M1,7 Größentabelle, klicken Sie hier | M3 Größentabelle, klicken Sie hier | ||||||||
| M2 Größentabelle, klicken Sie hier | M4 Größentabelle | ||||||||
| M2,5 Größentabelle, klicken Sie hier | M5 Größentabelle, klicken Sie hier | ||||||||
| Spitzenform |
Cup Punkt
|
Flache Spitze
|
Kegel Spitze
|
Kegel und Cup Punkt
|
Verzahnter Ringschneide
|
||||
| Nenn- durchmesser |
Länge (mm) |
||||||||
| M4 | 3 | M4x3 | M4x3 | ||||||
| 4 | M4x4 | M4x4 | M4x4 (120) | M4x4 | M4x4 | ||||
| 5 | M4x5 | M4x5 | M4x5 | M4x5 | M4x5 | ||||
| 6 | M4x6 | M4x6 | M4x6 | M4x6 | M4x6 | ||||
| 8 | M4x8 | M4x8 | M4x8 | M4x8 | M4x8 | ||||
| 10 | M4x10 | M4x10 | M4x10 | M4x10 | M4x10 | ||||
| 12 | M4x12 | M4x12 | M4x12 | M4x12 | |||||
| Klicken Sie auf die Abmessungen (M4x12 usw), um die Zeichnung anzuzeigen. | |||||||||
|
MOQ (Mindestbestellmenge) ; 1.000 pcs SPQ (Standard Packaging Quantity) ; 1.000 pcs |
|||||||||