|
M3 Innensechskant Gewindestifte Nenndurchmesser x Steigung : M3 x 0,5 Material (Harte) : Ni-Cr-Mo Stahl (HRC50~53) Oberflächenbehandlung : Schwarzoxidfilm Klicken Sie für M3 Schlitz Madenschraube |
|||||||||
| M1,6 Größentabelle, klicken Sie hier | M2,6 Größentabelle, klicken Sie hier | ||||||||
| M1,7 Größentabelle, klicken Sie hier | M3 Größentabelle | ||||||||
| M2 Größentabelle, klicken Sie hier | M4 Größentabelle, klicken Sie hier | ||||||||
| M2,5 Größentabelle, klicken Sie hier | M5 Größentabelle, klicken Sie hier | ||||||||
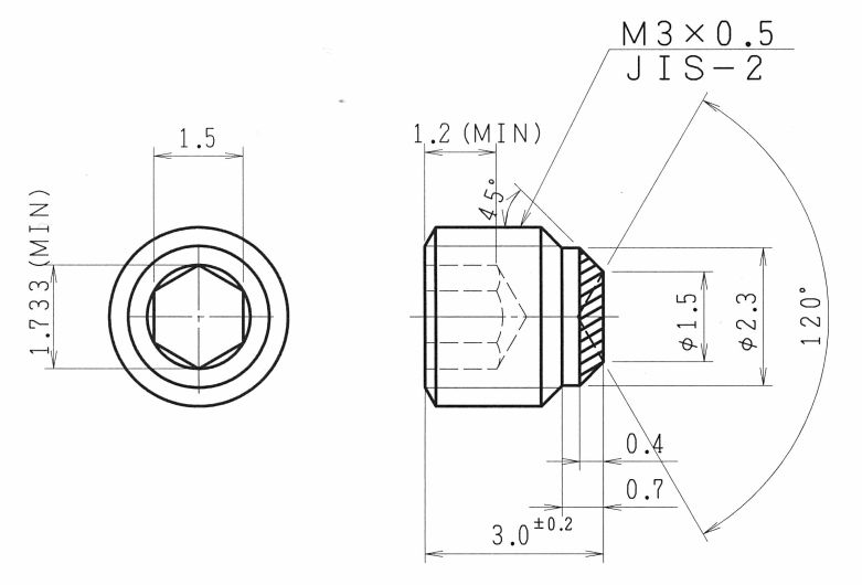
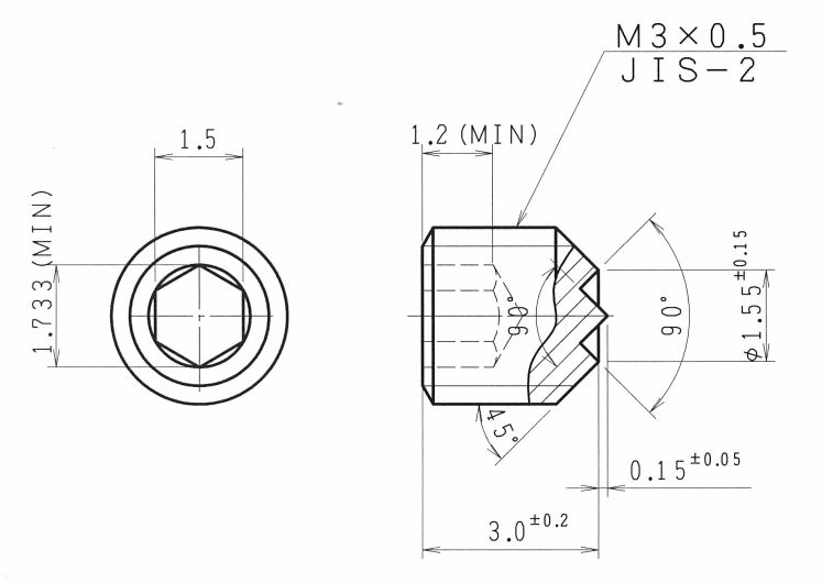
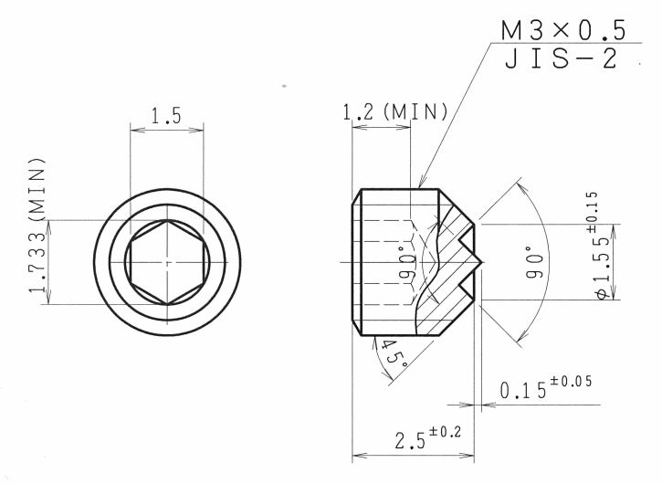
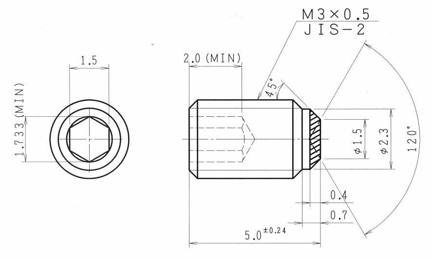
| Spitzenform |
Cup Punkt
|
Flache Spitze
|
Kegel Spitze
|
Kegel und Cup Punkt
|
Verzahnter Ringschneide
|
||||
| Nenn- durchmesser |
Länge (mm) |
||||||||
| M3 | 2,5 | M3x2,5 | M3x2,5 | M3x2,5 | |||||
| 3 | M3x3 | M3x3 | M3x3 (120) | M3x3 | M3x3 | ||||
| 4 | M3x4 | M3x4 | M3x4 | M3x4 | M3x4 | ||||
| 5 | M3x5 | M3x5 | M3x5 | M3x5 | M3x5 | ||||
| 6 | M3x6 | M3x6 | M3x6 | M3x6 | M3x6 | ||||
| 8 | M3x8 | M3x8 | M3x8 | M3x8 | M3x8 | ||||
| 10 | M3x10 | M3x10 | M3x10 | M3x10 | M3x10 | ||||
| 12 | M3x12 | M3x12 | M3x12 | M3x12 | |||||
| Klicken Sie auf die Abmessungen (M3x12 usw), um die Zeichnung anzuzeigen. | |||||||||
|
MOQ (Mindestbestellmenge) ; 1.000 pcs SPQ (Standard Packaging Quantity) ; 1.000 pcs |
|||||||||